Home Nach oben

Standard
H 8 Heimprojektor Junior Standard Grossraum Grossraum II Dia-Vorsatz Projektor 800 Projektor 3008 Projektor 2001 Gebescope

 

In vielen baugleich mit dem Heimprojektor, allerdings mit einer 60% höheren Lichtleistung und Lüftungsschlitzen in Rautenform, ist der Siemens Standard-Projektor. Im Gegensatz zum Heimprojektor der mit einem Einzahngreiferschaltwerk ausgerüstet ist, hat der Standardprojektor  das spezielle Siemens-Schaltwerk. Dieses Schaltwerk ist mir nur an diesem Projektor bekannt. Siehe auch Zeitungswerbung ganz unten.

                

Der Projektor ist mit einer 200 W / 50 V Schmalfilmlampe bestückt. Äußerlich nur an einem anderen Auslass des Lüftungsstromes erkennbar ist der Siemens Projektor 375 ( mit einer 375 W 75 V Schmalfilmlampe )

Es war auch möglich einen Klangfilm-Tonaufsatz nachzurüsten .

 

 

 

 

 

 

 

 

 

 

 

 

 

 

 

 

 

 

 

 

 

Was nützt der beste Tonfilmprojektor ohne Verstärker....? 

 

 

 

 

 

 

 

 

 

 

 

 

 

 

 

 

 

Der Verstärker kann auch unter dem Projektor platziert werden.

 

 

 

 

 

 

 

 

Mit der Einführung der internationale Norm für Tonschmalfilme wurde die Seite für den Lichttonstreifen auf rechts festgelegt. Entsprechend wurden die neuen Laufwerke gebaut. Will man einen Film nach alter Norm auf einem Projektor der internationalen Norm vorführen, so muss der Film seitenverkehrt eingelegt werden. Genauso verhält es sich natürlich bei der Verwendung eines Films mit internationaler Norm auf einem Projektor alter Norm. Um das Bild seitenrichtig auf die Leinwand zu projizieren kann ein Umkehrprisma vor das Objektiv geschraubt werden. 

 

Vorführbereit.  Die Stroboskopscheibe ist mittlerweile nur sehr selten zu finden.

 

 

 

 

 

 

 

 

 

 

 

Kofferverstärker

 

 

 

 

 

 

 Einblicke in das überschaubare Innenleben des Projektors ( nach Abnahme des Lüftungskamins )

 

 

 

 

 

Hier eine Film der Reichstelle für den Unterrichtsfilm. Mit den " nützlichen Winken für den Siemens Projektor " wird im Film eine kurze Bedienungsanleitung gegeben. Dabei wird allerdings nur auf das Filmeinlegen und die Reinigung kurz eingegangen.

 

 

 

Die Projektoren können am Typenschild vor der Fabrikationsnummer einen Buchstaben eingestempelt haben. Widerstände für Projektoren mit einem C passen nicht in Projektoren ohne Buchstaben bzw. mit einem B ( und umgekehrt ).

 

Weitere Anleitungen und Prospekte finden Sie auf den Dokumentenseiten !!

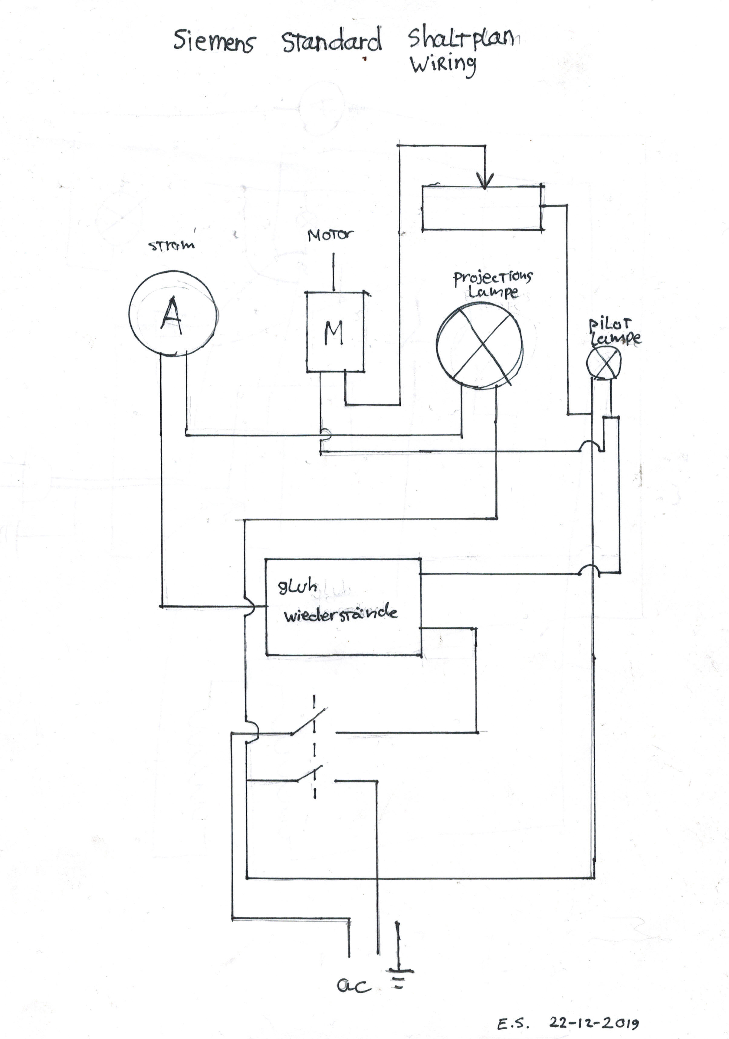
Erik Snel (Holland) hat mal nach einem Schaltplan gesucht - und keinen gefunden. Da der Standard tatsächlich relativ einfach aufgebaut ist, braucht man auch nicht unbedingt einen, trotzdem hat er mal einen gezeichnet :

 

 

Danke dafür.

 

Home ] Nach oben ]           Zum Seitenanfang            Mail-AGIFKontaktMail-AGIF

H 8 Heimprojektor Junior Standard Grossraum Grossraum II Dia-Vorsatz Projektor 800 Projektor 3008 Projektor 2001 Gebescope

Hinweis bei Darstellungsproblemen : die Seiten sind für eine Auflösung 1920x1080  optimiert !

 

Copyright ©  Olaf´s 16mm Kino
Stand: 28. August 2021